Z-Sprayer Auxiliary Pump 1 Switch P/N: GG1008469
Z-Sprayer Auxiliary Pump 1 Switch P/N: GG1008469
Available in stock (12)
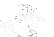
Z-Sprayer Auxiliary Pump 1 Switch.
# 6 On Diagram
Couldn't load pickup availability
Your payment information is processed securely. We do not store credit card details nor have access to your credit card information.

