Z-Sprayer Carling Connector 8F P/N: GG32160008
Z-Sprayer Carling Connector 8F P/N: GG32160008
Hurry up, only 3 items left in stock.
Z-Sprayer Carling Connector 8F
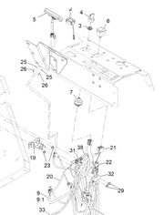
# 21 On Diagram
Couldn't load pickup availability
Your payment information is processed securely. We do not store credit card details nor have access to your credit card information.

